Pure Iron is almost never used as a cast material because it is soft
and weak. As the carbon content increases to 0.9%, so does hardness
and strength. These alloys are called "Steels".
The carbon content of Cast Iron ranges from about 2% to 4% and it is
the form that the carbon takes in the structure which has a major
influence on the properties and subsequent applications of the
material.
A very small amount of the carbon is dissolved in the pure iron
matrix. This component of the microstructure is known as Ferrite.
Further amounts of carbon can either form Iron Carbide, [Fe3C],
which is hard and brittle, or Graphite, which is almost pure carbon
and is soft and has little strength. The form the carbon takes is
determined by the rate of cooling during solidification, by the
influence of other alloying elements and by subsequent thermal
treatment.
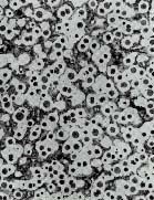
Where there is little or no graphite in the structure the cast iron
is very hard and brittle. These alloys are known as White Iron
because of the characteristic silvery fracture, in contrast to the
grey fracture where graphite is present. Where larger proportions of
graphite are formed, the shape and size of the graphite has a
significant effect on the properties of the cast iron.
Other elements which are present in the alloy affect the form of the
graphite and the structure and properties of the material matrix.

Ductile iron (x50)
white iron (x50)
grey iron (x50)
HOME PAGE | CASTING BLOG | CONTACT US |